多脈沖電涌保護器-單相/三相M類多脈沖防雷模塊
品牌:ZVD/中為
產地:深圳
廠家:廣東中為智能防雷技術有限公司
名稱:單相多脈沖電涌保護器、三相多脈沖電涌保護器、多脈沖組合沖擊電流MSPD
型號:ZV-MS1040
主要參數:
規格:MS-8/20us-10P/40kA-BPD
脈沖類別:MS多脈沖
雷電放電電流波形:8/20us
多脈沖的脈沖數值Lm:10P
雷擊標稱放電電流 In:40kA
標稱工作電壓 Un:230V/400V
最大持續工作電壓 Uc:385V
電壓保護水平Up:1.5kv
熱脫扣裝置:內置式
遠程遙信端口:可選配
組合方式:2P/4P/3P可選
產品詳情
產品概述:
ZV-MS1040系列三相單相多脈沖電涌保護器產品為多脈沖試驗類型M類SPD,主要用于強雷區、多雷區配電系統的防雷保護,每個模塊內置三個防雷芯片,可抵御雷電流連續多次的浪涌沖擊,防護效果更優秀,廣泛應用于高速公路機電系統的防雷保護。
結構選型說明:
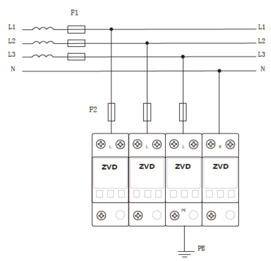
4P結構用于TN-S供電系統
3P結構用于TN-C及IT供電系統
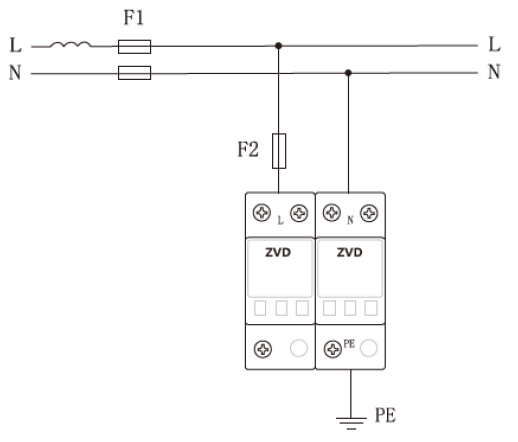
2P結構用于單相供電系統
MS多脈沖浪涌保護器詳細參數:
產品樣本只涉及代表性產品,如需定制產品規格及參數,請來電咨詢

遠程遙信報警干接點說明:
如需遠程監測多脈沖電涌保護器劣化狀態,可選擇帶遙信報警接口的產品,型號加FM,訂貨型號示例:ZV-MS1040/4P FM
遙信報警接口可輸出開關量信號用來指示MSPD劣化狀態:
浪涌保護器正常時,遙信端子NC和COM之間為短路狀態,NO和COM之間為開路狀態。
浪涌保護器劣化后,遙信端子NC和COM之間為開路狀態,NO和COM之間為短路狀態
產品接線圖:
1、 三相多脈沖電涌保護器接線圖
2、 單相多脈沖電涌保護器接線圖
廣東中為智能防雷技術有限公司
