B2類電涌保護器SPD-慢上升率試驗類型的浪涌保護器
品牌:ZVD/中為
產地:深圳
廠家:廣東中為智能防雷技術有限公司
名稱:B2類電涌保護器SPD-慢上升率試驗類型的浪涌保護器(防雷器)
型號:
①ZVS-RJ45-B2(用于網絡信號線路,比如網絡攝像機、網絡交換機等設備的防雷保護,接口為RJ45水晶頭形式)
②ZVS-ICS-B2(用于工控信號線路,比如RS485、4~20mA模擬量、開關量、消防信號線路等,接口為螺絲壓接式形式)
選擇時根據不同的信號線路和接口進行選型,該防雷器為B2類慢上升率試驗電涌保護器,滿足防雷標準對B2類SPD的最高等級要求,符合防雷驗收標準。
產品詳情
①B2類試驗網絡信號SPD浪涌保護器
型號:ZVS-RJ45-B2
主要參數:
最大持續工作電壓Uc:6V
沖擊耐受能力C2:5kV&2.5kA(1.2/50μs&8/20μs)
沖擊耐受能力B2:4kV&100A(10/700μs&5/300μs)
傳輸速率:1000Mbps
插入損耗:≤0.5dB
接口形式:RJ45
保護路數:1路
該防雷器為B2類慢上升率試驗電涌保護器,用于網絡信號線路的防雷保護,內部器件由氣體放電管、TVS等組成,其接線端口為RJ45水晶頭接口。
②B2類慢上升率試驗工控信號SPD電涌保護器
型號:ZVS-ICS-B2主要參數:
標稱工作電壓Un:24V
最大持續工作電壓Uc:36V
沖擊耐受能力C2:10kV&5kA(1.2/50μs&8/20μs)
沖擊耐受能力B2:4kV&100A(10/700μs&5/300μs)
最大放電電流:10kA
插入損耗:≤0.5dB
保護路數:1路(2線)
接口形式:壓接式端子
該產品主要應用于4~20mA AIAO模擬量、開關量DI/DO、RS485、CAN、消防信號總線等工業控制信號線路的防雷保護。接線端子為螺絲壓接式,最大接入線徑2.5平方。
參數表:
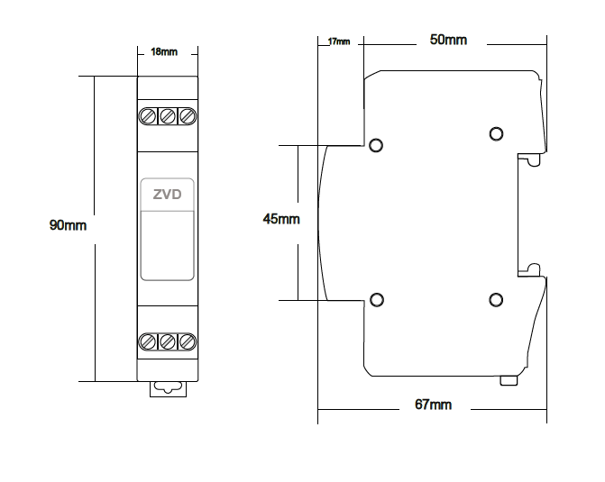
尺寸圖:

廣東中為智能防雷技術有限公司
